服务项目
PROJECTS

NXY-RFS-9系列阅读器产品使用手册

NXY-RFS-9系列阅读器产品使用手册
产品详情

一、概述

NXY-RFS-9系列社区门禁阅读器是专为智慧社区中的单元门,小区无人值守的侧门开发的远距离自动门禁设备,

二、产品性能特点及规格参数

2.1、产品特点

Ø 支持RS485联网工作

Ø 支持WEIGEN34

Ø 支持一路开关量输出

Ø 支持一路开关量输入

Ø 有效感应半径2m~3m

Ø LED指示

Ø 12VDC输入

Ø 完整便捷施工方法

2.2、规格参数

Ø 电源:12VDC

Ø 峰值电流:<300mA

Ø 工作电流:<200mA

Ø 尺寸规格:118*76*22mm

Ø 重量:140g

Ø 防护等级:IP54

Ø 工作温度:         -30℃ ~ +60℃

Ø 保存温度 :        -40℃ ~ +80℃

2.3、产品图片

三、产品安装及接线指导

NXY-RFS-9系列安装见下图,适合挂壁安装以及顶装,可实现隐藏式安装,但请注意隐藏时遮挡材料需为非金属材料才可以的。

3.1、接线说明:

线序

1

2

3

4

5

6

7

8

9

10

颜色

绿

功能定义

VCC

GND

GND

INPUT1

NO1

COM1

B

A

D0

D1

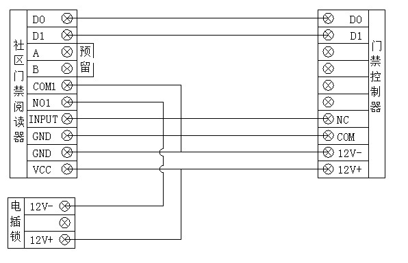
本阅读器按照使用环境分为两种,一种是阅读器接入门禁控制器的用法,具体接线图如下图示:

备注:无外部信号输入应用时,可不用连接。

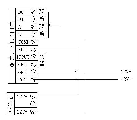
另外一种就是门禁阅读器不介入门禁控制器直接控制电锁,此时只需要将门禁控制器与电锁相连接入电源即可!具体见下图示:

3.2、安装位置的确定

社区门禁阅读器感应半径2~3m ,故需要确定设备的安装位置,以确保人员能顺畅的通过该阅读器所控制的门,因此需要事先进行位置的标定,若现场环境复杂还需进行安装前的测试,以确定最理想的安装位置。

3.3、设备安装

具体的安装步骤如下:

1、 将产品附件的安装贴纸黏贴在要要安装的位置上,并在贴纸所示的安装孔位置上钻孔(直径6mm);

2、 将附件的塑料碰撞螺钉钉入步骤1所钻的两个孔。

3、 拆下阅读器前盖,将阅读器本体通过附件所带的两颗螺钉安装在墙面上

4、 安装前盖,并将下面的防拆螺丝安装到位。

四、社区门禁阅读器的调试配置

4.1、作用距离范围检测

阅读器上电后,采用闪灯标签可检测阅读器的作用范围。当闪灯标签进入到阅读器的作用范围时,闪灯标签的指示灯会不停的闪烁,闪灯标签的指示灯闪烁区域即为阅读器的作用范围,另外通过附近的阅读器也可将该地标器的射频心跳状态上报至系统平台。

4.2、通讯调试

门禁阅读器连接门禁控制器,数据传输方式调整为wiegand34,把标签放置在阅读器的作用范围之内,门禁控制器会收到标签的卡号。


电话:13391173835          地址:上海闵行区光中路133弄118号2幢406